背景描述:
随着科技的进步和发展,电力电子类的设备应用越来越广泛,在各类民用及公共建筑中存在大量的电力电子负载,如LED节能灯、电梯、UPS、空调、电脑等,由于用电的不均衡及随机性,导致了用电的不平衡,同时非线性负载的大量接入,导致注入系统的谐波越来越多,从而中性线电流过大,更加重了对电网的污染。参照谁污染谁治理的原则,对于末端电能的优化要求越来越高,特别是治理措施的可实施性及可靠性,如何进一步保证新型电子负载在快速发展的同时,确保用电安全,并且将对电网的影响降到最小,显得尤为重要。
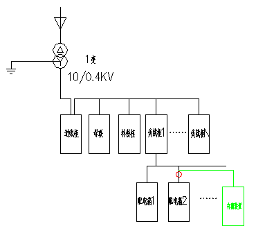
治理方案:
采用SinPOWER品牌ibook系列有源电能装置后,该配电系统中的三相负荷不平衡、无功电流、谐波电流均得到了消除,电网侧治理效果明显。
安装在末端三相负荷配电箱,如下图:

治理效果:
治理前后数据对比(总进线数据):经过数据对比,治理效果明显。

治理前 治理后
|
序号 |
名称 |
A相(A) |
B相(A) |
C相(A) |
N相(A) |
|
1 |
治理前电流 |
66.9 |
17.3 |
18.8 |
56.5 |
|
2 |
治理后电流 |
29.9 |
27.8 |
27.5 |
6.1 |
治理前后数据对比(末端数据):经过数据对比,治理效果明显。

治理前 治理后
|
序号 |
名称 |
A相(A) |
B相(A) |
C相(A) |
N相(A) |
|
1 |
治理前电流 |
8.4 |
0 |
16 |
14.2 |
|
2 |
治理后电流 |
8.5 |
7.8 |
8.7 |
1.8 |
产品简介及主要技术参数:
ibook系列有源电能模块是爱科赛博采用全新SIC技术研发的一款超高功率密度的产品。其开关频率可达90kHz,具有更轻更静的优点。

技术指标:
|
新技术 |
宽禁带半导体SiC |
|
开关频率 |
90kHz |
|
补偿谐波次数 |
2次~50次 |
|
补偿方式 |
谐波、不平衡、无功治理 |
|
过载 |
自动限制到额定电流输出 |
|
效率 |
>97% |
|
噪声 |
≤55dB |
|
响应时间 |
10ms |
|
防护等级 |
IP20 |